
Der Verstärker McCrypt PA-940 wurde viele Jahren unter verschiedenen Markennamen als eine Art Hobby-PA-Endstufe vertrieben.
Es existieren unterschiedliche Angaben zur
möglichen Ausgangsleistung. Ein Datensatz liefert folgende Werte: 2x 90W an 8Ω
// 2x 135W an 4Ω // 2x 250W max.
Als PA-tauglich kann man den Verstärker wohl
kaum bezeichnen, aber immerhin wurde die mögliche Ausgangsleistung realistisch
angegeben.

Das Gehäuse ist größer ausgeführt als notwendig. Der Aufbau ist zweckmäßig.
Mittig befindet sich ein großer
Transformator mit zwei 36V-Wicklungen, einer 10V- und einer 15V-Hilfswicklung.
Der altmodisch erscheinende Transformator muss in der Anschaffung wohl sehr
günstig gewesen sein, da man sich sogar den Luxus einer exklusiven
Sekundärwicklung für die Skalenbeleuchtung der Zeigerinstrumente gönnte.
Neben dem Transformator ist eine kleine
Platine untergebracht. Darauf befinden sich die Gleichrichter für die
Hilfsspannung und die Versorgungsspannung der Endstufen. Letztere glätten zwei
6800µF-Kondensatoren.
Rechts des Transformators sind im unteren Blech zwei
Bohrungen zu sehen, die es vermutlich ermöglichen würden eine zweite
Gleichrichter- und Glättungsplatine einzubauen. Vielleicht galt der Vorhalt
einer leistungsstärkeren Variante des Verstärkers.
Die Gleichrichter- und Glättungsplatine stellt den Massesternpunkt des Verstärkers dar. Das sternförmige Massekonzept wurde sehr konsequent umgesetzt. Eine Befestigungsschraube der Gleichrichterplatine verbindet das Massepotential des Verstärkers mit dem Gehäuse. Es handelt sich um die einzige Verbindung zwischen dem Masse- und dem Gehäusepotential und damit auch mit dem Potentialausgleich der Netzleitung. Die Cinch-Signaleingänge sind vollständig vom Gehäuse isoliert, so dass sich in das Bezugspotential des Eingangssignals möglichst keine Störungen des Gehäusepotentials einkoppeln. Das Bezugspotential des Eingangssignals wird zu den Endstufen geführt, wo es mit der Masse der Endstufen verbunden ist.

Bei genauerer Betrachtung zeigt sich, dass
die großen, seitlichen Kühlkörper zweiteilig aufgebaut sind.
Die
Verstärkerplatine ist mit Distanzbolzen auf dem Kühlkörper montiert. Darunter
befinden sich die Endstufentransistoren, die auf der Oberseite der Platine
verlötet wurden.

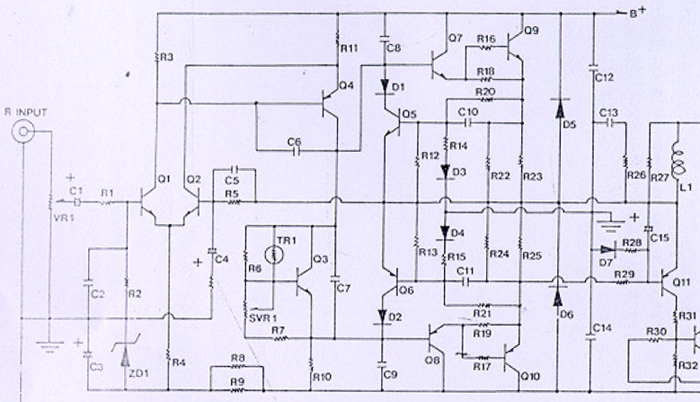
Die Schaltung des Verstärkers ist relativ
einfach aufgebaut.
Erwähnenswert ist lediglich die in diesem Gerät nicht
bestückte Z-Diode an der unteren Kante der Platine. Sie würde in Kombination mit
dem daneben bestückbaren Kondensator C3 und den Widerständen R8 und R9 an der
linken Kante der Platine eine geregelte negative Versorgungsspannung für den
Differenzverstärker am Eingang der Endstufe darstellen. Anscheinend war die
Signalqualität aber auch so ausreichend.
Durch den Wegfall der
Z-Dioden-Stabilisierung konnte dann auch die Anzahl der Widerstände im
Emitterpfad des Differenzverstärkers von drei (R4, R8, R9) auf einen (R8)
reduziert werden.
Auf der Platine befindet sich neben dem Verstärker eine Schutzschaltung, die den Lautsprecher abtrennen kann bevor Schäden durch zu hohe Ströme oder zu hohe Temperaturen auftreten können.

Langlöcher in der Platine sorgen für einen gewissen Toleranzausgleich, der notwendig ist, da der darunter liegende Kühlkörper aus zwei Teilen zusammengefügt ist.
Das geschwungene Layout scheint noch
händisch erstellt worden zu sein.
Verzinnte Leiterbahnen sorgen an den
neuralgischen Stellen für eine höhere Stromtragfähigkeit.
Die ursprüngliche Bezeichnung der Endstufe lautete anscheinend PA-150.
Auf der Rückseite der Platine befinden
sich zwei NTC-Widerstände. Einer der NTC-Widerstände dient der
Übertemperaturabschaltung.
Der zweite NTC-Widerstand stellt eine etwas
ungewöhnliche Biasstromregelung dar. Um den Biasstrom der Endstufentransistoren
über die Temperatur regeln zu können, wird üblicherweise ein
Kleinsignaltransistor thermisch möglichst ideal an die Endstufentransistoren
angebunden. Meist verwendet man dafür gleich den Transistor, der selbst den
Biasstrom einstellt. Der NTC-Widerstand ist weniger gut an die
Endstufentransistoren angebunden, scheint aber für diesen Verstärker ausreichend
gewesen zu sein.

Wie bereits beschrieben besteht der
Kühlkörper aus zwei Teilen, die über ein Blech miteinander verschraubt sind.
Auf dem Kühlkörper befinden sich die Endstufentransistoren. Es handelt sich um
robuste Sanken-Modelle (2SC2922 und 2SA1216). Der Aufbau des 2SC2922 ist
hier zu sehen.
Interessant ist, dass der PNP-Transistor eine höhere Stromverstärkung aufweist als der NPN-Transistor (70-140 vs. 50-100). Vermutlich kann der PNP-Treibertransistor keinen so hohen Strom liefern wie der NPN-Treibertransistor.