

Das DLSF1414 ist ein von Siemens produziertes intelligentes Anzeigemodul mit vier 16-Segment-Anzeigen.

Von Siemens existieren mehrere Kataloge für derartige Anzeigen. Dort findet sich aber kein Hinweis auf ein Modul mit der Bezeichnung DLSF1414, lediglich ein DL1414, das allerdings zwei Pins weniger besitzt (Siemens Intelligente LED-Anzeigen - Lieferprogramm 1986). Siemens hat im Bereich dieser Anzeigen auch kundenspezifische Module entwickelt. Es könnte sein, dass das DLSF1414 dazu zählt.

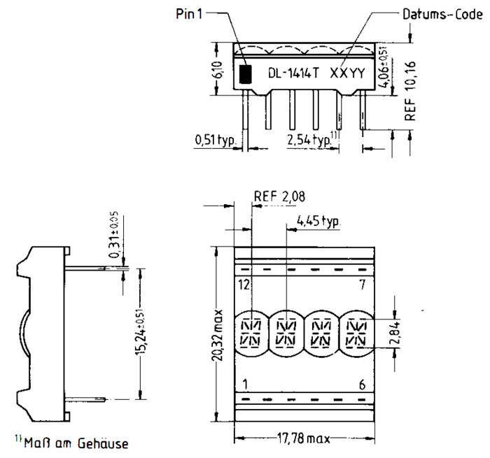
Das Datenblatt des DL1414 zeigt die grundsätzliche Funktionsweise der Anzeige. Über zwei Adressleitungen und einen Write-Eingang kann in einem RAM-Speicher geschrieben werden, welche Zeichen angezeigt werden sollen. Die verfügbaren Zeichen selbst sind in einem ROM abgelegt. Das DL1414 besitzt einen Taktgeber, der nacheinander eine Stelle nach der anderen aktiviert. Gleichzeitig wird der zugehörige RAM-Bereich aktiviert. Die im RAM gespeicherte Adresse des gewünschten Zeichens wird in den ROM übertragen und der ROM gibt über 17 Segmenttreiber die Daten aus, die das gewünschte Zeichen auf der gerade aktiven Stelle aufleuchten lassen.


Die Lieferprogramme zeigen, dass andere Modelle noch mehr Ansteuermöglichkeiten bieten. Die zusätzlichen Anschlüsse ermöglichen es einen Cursor zu steuern, das Display ohne spezielle Ansteuerung abzuschalten, die Helligkeit zu variieren, den RAM zu löschen, einen externen Takt zuzuführen und lesend auf den RAM zuzugreifen. Es ist durchaus denkbar, dass das hier zu sehende DLSF1414 ein DL1414 ist, das mit zwei zusätzlichen Steuereingängen ausgestattet wurde.

Die Anzeigen befinden sich auf einer Art Platine, die in einem durchsichtigen Vergussmaterial eingebettet ist.

Das durchsichtige Vergussmaterial erlaubt es auch einen Blick auf die Rückseite der Platine zu werfen. Mittig ist ein dunkler Bereich zu erkennen. Es handelt sich dabei um eine dunkle Vergussmasse, die den Steuerschaltkreis schützt. In der linken oberen Ecke befindet sich anscheinend ein weiterer IC. Dieser Schaltkreis ist leider verloren gegangen. Möglicherweise wurde an dieser Stelle eine einfache Logik integriert, um das Verhalten der Anzeige an die Bedürfnisse eines Kunden anzupassen.

9041 könnte ein Datecode sein.

Die 16 Segmente eines jeden Digits sind auf einem 2,1mm x 1,8mm großen Die integriert. Sowohl an der oberen als auch an der unteren Kante ist ein Punkt zu finden, so dass das Die auch um 180° gedreht verarbeitet werden kann. Mit dem Punkt bietet die Anzeige 17 Segmente. Dünne Streifen der Metalllage verteilen den Strom über die Leuchtflächen. Das Substrat stellt die gemeinsame Anode dar.

Die Steuerung ist auf einem 3,1mm x 2,7mm großen Die integriert.



Der Steuerschaltkreis wurde anscheinend 1988 von Siemens entwickelt. SMC4621 könnte eine interne Bezeichnung sein. TONY und BE könnten die Logos beziehungsweise Kürzel von Entwicklern sein.

Auf dem Die sind fünf Masken dargestellt, die schon mehrmals überarbeitet wurden: 1C, 2C, 4D, 7C, 8C

Teile der Steuerung lassen sich gut identifizieren. An der oberen Kante sind 17 Treiber integriert, die die 16 Segmente und den Punkt eines jeden Digits ansteuern können (rot). An der unteren Kante befinden sich die vier Treiber, die die Digits nacheinander aktivieren (grün).
An der linken Kante befindet sich der 7Bit breite Datenbus (blau). Man würde erwarten, dass die sieben nebeneinander angeordneten Bondpads die sieben Eingänge darstellen, das ist aber nicht der Fall. Der Eingang D0 ist etwas abgesetzt an der unteren Kante zu finden. Die Eingänge durchlaufen Zwischenspeicher, wie es auch in den Blockschaltbildern dargestellt ist.
Die Leitungen der sieben Eingänge kann man zu einem 4x7-RAM nachverfolgen (gelb). Die Steuersignale, die eine der vier Spalten im RAM auswählen, führen über eine zusätzliche Logik zur Ansteuerung der einzelnen Digits (grün). Wird zum Beispiel der RAM-Bereich des dritten Digits ausgewählt, so wird gleichzeitig das dritte Digit aktiviert.
Die Ausgangssignale des RAMs steuern ein ROM über eine verhältnismäßig komplexe Signalaufbereitung (orange). Aus den sieben Eingangssignalen werden dort 23 Steuersignale generiert und zum ROM geführt, dessen Größe man mit 17x3x2x17 beschreiben könnte. Die Ausgangssignale des ROMs steuern über die 17 Endstufen die einzelnen Segmente an.
Mittig findet sich ein Oszillator, der sich durch seinen großen Kondensator identifizieren lässt. Der generierte Takt wird über ein Bondpad zu einer Schaltung geführt, die anscheinend als Taktanpassung und -verteilung dient. Die Steuerung scheint mehr Funktionen zu enthalten als es für ein DL1414 Modul notwendig wäre. Wahrscheinlich wird der Schaltkreis auch in anderen Anzeigen genutzt. Wie bereits beschrieben, gibt es Module, bei denen sich der Arbeitstakt synchronisieren lässt. Ein Bondpad ist direkt mit der Ansteuerung der Segmente verbunden. Dabei könnte es sich um den Eingang handeln, der ein Dimmen der Anzeige ermöglicht. Es bleiben noch einige kontaktierte und einige unkontaktierte Bondpads, deren Funktion sich nicht ohne Weiteres klären lässt. Bei elf Bondpads finden sich Pufferspeicher wie bei den sieben Dateneingängen.

Die Segmenttreiber bestehen jeweils aus einem direkt neben dem Bondpad platzierten Leistungstransistor und einer weiter im Inneren integrierten Ansteuerung. Der Segmenttreiber muss eine Strombegrenzung enthalten, die einen sinnvollen Stromfluss durch die einzelnen Leuchtdioden einstellt.

Einer der 17 Segmenttreiber ist etwas kleiner ausgeführt als die anderen. Dabei handelt es sich um den Treiber für den Punkt. Der Punkt ist kleiner als die anderen Segmente und benötigt entsprechend weniger Strom, um die gleiche Leuchtdichte zu erzeugen. Die Größe der Strukturen bestimmt höchstwahrscheinlich die Höhe des Stroms.

Die Treiber für die vier Digits sind größer aber einfacher ausgeführt als die Segmenttreiber. Sie schalten lediglich die Versorgungsspannung zum jeweiligen Digit durch.

Die Bondpads, die Eingänge darstellen, besitzen oberhalb und unterhalb Schutzdioden.

Die 4x7 Speicherzellen des RAM sind gut zu erkennen. In diesem Bereich wird für jedes Digit die 7Bit breite Codierung des gewünschten Zeichens abgelegt. Links befindet sich der Eingang, rechts der Ausgang. Von unten erfolgt die Auswahl eines Digits, oberhalb werden diese Signale aufgegriffen und zu den Endstufen geführt, die das jeweilige Digit aktivieren.


Laut Datenblatt können 63 Zeichen ausgewählt werden. Das ROM müsste entsprechend 17x63 groß sein. Tatsächlich ist das ROM aber gänzlich anders aufgebaut. Im unteren Bereich ist die überraschend komplexe Aufbereitung der sieben Ausgänge des RAMs integriert.

Bei genauerer Betrachtung stellt sich heraus, dass von links 8 Leitungen und von rechts 9 Leitungen horizontal in die ROM-Matrix führen (gelb/rot). Das alleine ergäbe nur einen 17x17 großen Speicherbereich, der bei Weitem nicht ausreichend wäre.
An der oberen Kante zeigt sich, dass jeder Ausgang mit drei verschiedenen Potentialen verbunden werden kann. Ein Transistor (ON) ermöglicht es das Segment mit allen anderen Segmenten zu aktivieren. Das dürfte dazu dienen eine Cursor-Funktion darstellen zu können. Zwei weitere Transistoren (OUT1/OUT2) verbinden jedes Segment mit zwei Spalten im ROM-Bereich (grün). Das erweitert den Speicherbereich auf 17x17x2 oder 17x34, was aber immer noch nicht ausreicht, um den spezifizierten Zeichenumfang darstellen zu können.
Eine zusätzliche Erweiterung des Speichers ergibt sich über drei Potentiale, die horizontal an der unteren Kante verlaufen (blau) und drei Transistoren schalten (C1/C2/C3). Darüber werden drei vertikale Leitungen im ROM-Bereich aktiviert, die die grünen Zeilen umgeben. Das erweitert den Speicherbereich im ersten Schritt von 17x17x2 auf 17x17x3 (17x51), was an sich immer noch nicht ausreichend ist. Es muss folglich mindestens 12 Zeichen geben, die sich aus anderen Zeichen zusammensetzen lassen. Diese Zeichen kann man anzeigen, indem man mehr als nur zwei der vertikalen Leitungen aktiviert.