

Der LM710 ist ein schneller Komparator von National Semiconductor. Die Schaltzeit beträgt typischerweise 40ns.

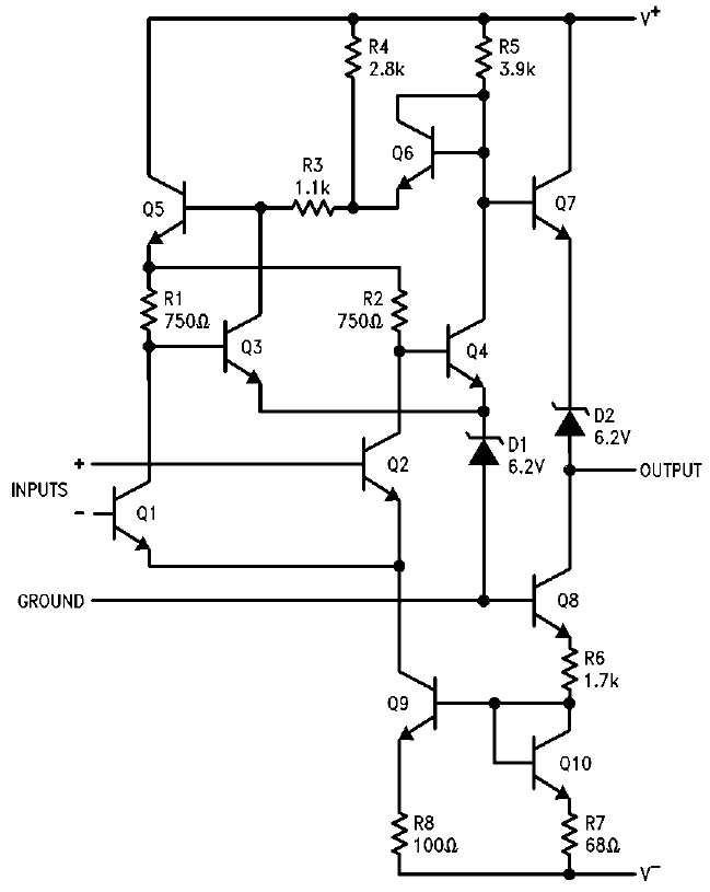
Das Datenblatt zeigt den Aufbau der integrierten Schaltung.



Die Kantenlänge des Dies beträgt 0,7mm. An den Kanten sind sechs Masken abgebildet. Der Buchstabe B verweist wahrscheinlich auf eine zweite Revision.

Die integrierte Schaltung entspricht der Darstellung im Datenblatt.
Eine Aufnahme mit dem Olympus LMPlanFN 20x 0,40 BD zeigt deutlich den qualitativen Unterschied zu dem obigen Bild, das mit einem klassischen Kameraobjektiv in Retrostellung aufgenommen wurde.
Dieses Bild ist auch in einer höheren Auflösung verfügbar: 5MB

Der hier zu sehende National Semiconductor LM710 scheint etwas älter zu sein. Das Gehäuse trägt noch das alte Logo und die spezielle Form des Buchstaben M kennt man von älteren Bauteilen.
Der Index C zeigt, dass es sich um die schlechtere Sortierung handelt. Der Betriebstemperaturbereich ist bei dieser Variante kleiner und die Spezifikationen sind etwas schlechter.

Der Aufbau entspricht dem des jüngeren LM710, allerdings handelt es sich um eine frühere Revision.
Dieses Bild ist auch in einer höheren Auflösung verfügbar: 5MB

Die Metalllage zeigt einige ungewöhnliche Artefakte. Auf den ersten Blick könnte man meinen, dass der Bondvorgang die Metalllage beschädigt hat. Tatsächlich finden sich aber auch in der Mitte des Dies Störungen. Vielleicht gab es Probleme bei der Strukturierung der Metalllage.