
Der LH0101 ist ein Leistungs-Operationsverstärker von National Semiconductor. Die maximal mögliche Slewrate beträgt 10V/µs. Die Bandbreite ist mit 5MHz spezifiziert. Das Datenblatt gibt +/-22V als oberste Grenze für die Versorgungsspannung an. Am Ausgang ermöglicht der LH0101 einen Dauerstrom von 2A und einen Spitzenstrom von 5A. Das TO-3 Gehäuse besitzt acht Pins und kann eine Verlustleistung von bis zu 62W ableiten.
Es existiert eine Sortierung mit einem Index A, die etwas bessere Werte bei Eingangsoffset und Eingangsstrom bietet. Dies lässt sich kombinieren mit dem Index C. Den Index C erhalten Bausteine, deren Eingangsströme bei hohen Temperaturen weniger stark ansteigen.

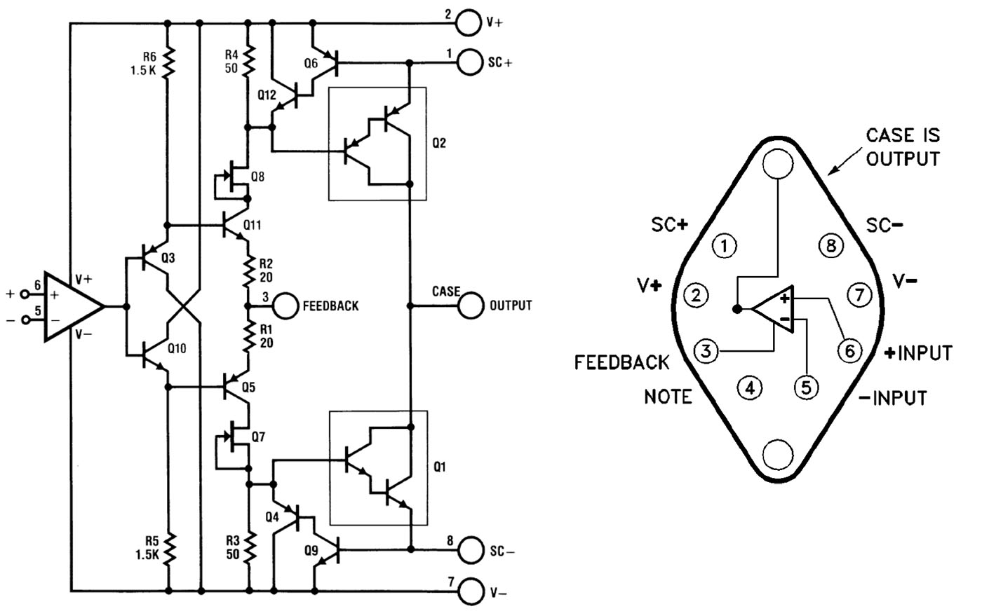
Das Datenblatt zeigt den Aufbau des LH0101. Die National Semiconductor Application Note 261 geht ausführlich auf die Funktionsweise ein. Am Eingang befindet sich ein Operationsverstärker mit J-FET-Eingängen. Die Transistoren Q3, Q10, Q11, Q5 stellen einen Pufferverstärker dar. Kleine Ausgangsströme liefert diese Pufferstufe direkt über den Feedback-Pin. Die J-FETs Q7 und Q8 begrenzen den Strom des Pufferverstärkers auf 50mA. Ab 25mA werden die Darlingtontransistoren Q1 und Q2 aktiv und übernehmen den Laststrom. Der Anteil des Pufferverstärkers am Ausgangsstrom dient lediglich dazu den Bereich der Ausgangskennlinie zu linearisieren, in dem der Stromfluss von einem Darlingtontransistor auf den anderen über geht. Die Transistoren Q6/Q12 und Q9/Q4 stellen einen Überstromschutz dar. Über Widerstände zwischen den Pins 1/2 und den Pins 7/8 kann man den maximalen Ausgangsstrom festlegen.


Die Schaltung ist auf einem Keramikträger aufgebaut. Die Buchstaben LH in der Bezeichnung waren bereits einen Hinweis darauf, dass es sich um einen Hybridbaustein handelt.

Das Gehäuse führt das Ausgangspotential. So konnten die beiden Ausgangstransistoren direkt mit dem Gehäuse verbunden werden. Diese Konstruktion erleichtert nicht nur das Weiterleiten der verhältnismäßig hohen Ausgangsströme, sie macht es auch deutlich einfacher die Verlustleistung zum Gehäuse hin abzuführen. Das vergoldete Plättchen reduziert höchstwahrscheinlich thermomechanische Spannungen.

Die Pins des Gehäuses sind mit der Metallisierung des Keramikträgers verlötet. Dabei fällt auf, dass die Lotmenge oft nicht ausreichend war, um die Pins über den kompletten Umfang zu benetzen. Eine grünliche Lackierung dient als Lötstopplack, findet sich aber auch auf Leiterzügen, die von Bonddrähten überquert werden.
Für die Anbindung der Leistungstransistoren wurden dickere Bonddrähte eingesetzt als für die restlichen Verbindungen. Wo die dickeren Bonddrähte den Keramikträger kontaktieren, hat man den Untergrund vergoldet. Bei den dünneren Bonddrähten war das anscheinend nicht notwendig.

Die Schaltung auf dem Keramikträger entspricht exakt der Schaltung im Datenblatt. Der Pin 4 wird nicht verwendet. Im Datenblatt steht, das er im LH0101 elektrisch angebunden ist und daher nicht mit einem anderen Potential verbunden werden sollte. Zumindest im vorliegenden Modell ist das nicht der Fall. Beim LH0101 von Maxim ist der Pin 4 mit dem Ausgangspotential verbunden.

Man hat offensichtlich besonderen Wert auf die Symmetrie der Schaltung gelegt. Alle Widerstände wurden abgeglichen.

Der Operationsverstärker ist ein LF355. Eine genauere Beschreibung des LF355 findet sich hier. Er ist der Grund, warum die Versorgungsspannung des LH0101 +/-22V nicht übersteigen darf. Die J-FET-Eingänge des LF355 sorgen für die geringen Eingangsströme des LH0101.

Auf der Oberfläche des LF355 findet sich eine Verschmutzung, die sich nicht auf das Öffnen des Gehäuses zurückführen lässt.

Die Revisionen der Masken unterscheiden sich von denen der anderen LF355. Sie lassen aber keine zeitliche Einordnung zu. Es sind auch keine Unterschiede in den Strukturen zu erkennen.


Die NPN Transistoren Q9, Q10, Q11, Q12 sind alle gleich aufgebaut. Die Abmessungen betragen 0,42mm x 0,35mm. Beim hier zu sehenden Transistor sieht man deutlich wie die Vereinzelung aus dem Wafer erfolgte. Man hat den Wafer ein Stück weit eingeschnitten und dann über diese Schnittkanten gebrochen. Hier war der Vorgang nicht ganz erfolgreich und der Transistor hat einen Teil des daneben liegenden Transistors abgebrochen. Der Ball des rechten Bonddrahts wurde etwas zu stark auf das Silizium aufgepresst.
In der unteren linken Ecke zeigt ein Kreuz wie gut die verwendeten Masken gegeneinander ausgerichtet waren. Die Zahl 23 gibt einen Hinweis auf den Transistortyp. National Semiconductor produzierte unter der Bezeichnung Prozess 23 einen NPN-Transistor.

Das National Semiconductor Discrete Databook aus dem Jahr 1978 zeigt einen NPN-Transistor mit der Bezeichnung Prozess 23. Die Geometrien passen zu den hier vorliegenden Strukturen. Der Transistor besitzt eine Golddotierung, die die Schaltgeschwindigkeit erhöht. Damit lassen sich Frequenzen bis 100MHz verstärken. Die Abmessungen von 0,46mm x 0,38mm passen nicht ganz zu den Abmessungen im LH0101.

Das National Semiconductor Discrete Databook aus dem Jahr 1989 zeigt, dass man sich an den äußeren Abmessungen nicht orientieren sollte. Hier ist für den Prozess 23 eine Kantenlänge von 0,46mm angegeben.

Die PNP-Transistoren Q3, Q4, Q5, Q6 sind ebenfalls alle gleich aufgebaut. Die Abmessungen betragen 0,52mm x 0,29mm. Hier findet sich kein Hinweis auf den Transistortyp.

Das National Semiconductor Discrete Databook aus dem Jahr 1978 nennt den Prozess 66 als komplementären Typ zum Prozess 23. Die abgebildeten Geometrien stimmen allerdings nicht mit den Strukturen des vorliegenden Transistors überein.

Im National Semiconductor Discrete Databook aus dem Jahr 1989 findet sich eine andere Struktur für den Prozess 66. Diese Geometrien stimmen mit den vorliegenden Strukturen überein. Anscheinend hat man den Transistor in der Zwischenzeit überarbeitet.


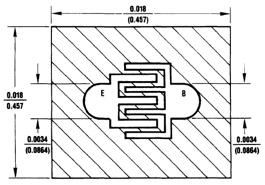
Die Beschriftung auf den JFETs zeigt, dass es sich um den Prozess 51 handelt. Dieser Typ ist im National Semiconductor FET Databook von 1977 genauer beschrieben. Das Gate kann man von oben oder durch das Substrat kontaktieren.

Die Abmessungen des NPN-Darlingtontransistors Q1 betragen 2,2mm x 1,6mm. Die Zweiteilung in einen Treiber- und einen Leistungstransistor ist deutlich zu erkennen. Im National Semiconductor Power Transistor Databook aus dem Jahr 1977 findet sich ein Prozess 2J, dessen Geometrien exakt zu den vorliegenden Strukturen passen. Im National Semiconductor Discrete Databook aus dem Jahr 1978 wird der Prozess als 2J/4J bezeichnet.
Im linken Bereich des Leistungstransistors stich ein Artefakt ins Auge. Es könnte sich um ein Loch in der Passivierungsschicht handeln, durch das sich eine Verschmutzung innerhalb der Strukturen ausgebreitet hat. Außerdem fällt auf, dass der Bondbereich sehr knapp ist für die drei Bonddrähte, die im LH0101 als Emitterverbindung zu Einsatz kamen.


Die Abmessungen des PNP-Transistors Q2 betragen 2,2mm x 1,7mm. Im National Semiconductor Discrete Databook aus dem Jahr 1978 wird als Komplementärtyp für den Prozess 2J/4J der Prozess 3J/5J angegeben. Die dort abgebildeten Geometrien für den Prozess 3J/5J passen allerdings nicht zu den hier zu sehenden Geometrien. Interessant ist, dass der Treibertransistor beim PNP-Darlingtontransistor deutlich größer ist als beim NPN-Darlingtontransistor.