
Der LF13508 ist ein Achtfach-Analogmultiplexer von National Semiconductor.

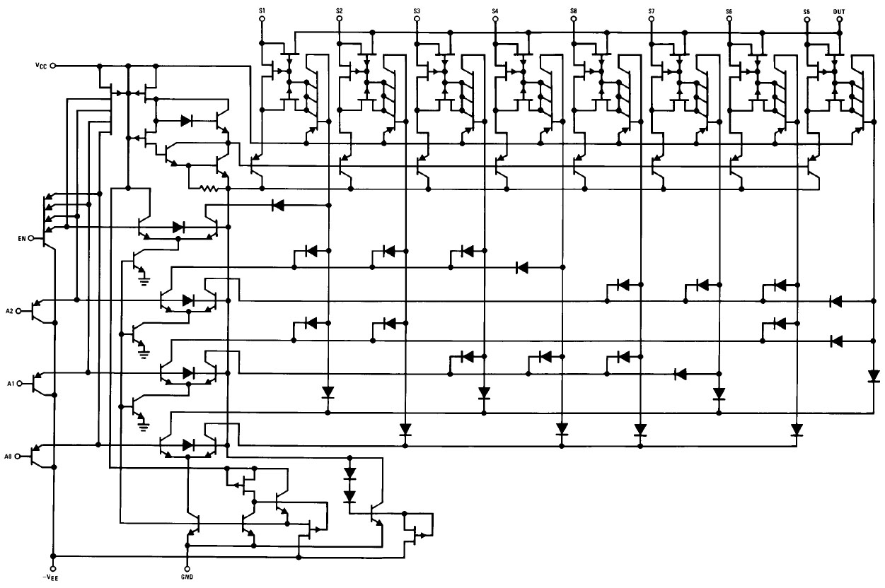
Das Datenblatt enhält einen Schaltplan, der die Funktionsweise aufzeigt. Links befinden sich die Steuereingänge, die den Enable-Transistor und die drei Adress-Transistoren bedienen. Versorgt werden die Transistoren über einen JFET der als Strombegrenzung dient. Es folgen vier Gruppen aus jeweils drei Transistoren, die differentielle Signale erzeugen. Über Dioden werden die differentiellen Signale so an die Analogschalter angebunden, dass die binäre Ansteuerung die richtigen Eingänge aktiviert.

Solange ein Analogschalter über seine Steuerleitung einen Low-Pegel erhält
bleibt er gesperrt. In diesem Fall leitet der Bipolartransistor und führt den
Gate-Anschlüssen der drei JFETs einen High-Pegel zu. Dieser Pegel ist höher als die
umgebenden Potentiale woraufhin die JFETs sperren und so den zugehörigen Eingang
isolieren.
Erhält ein Analogschalter keinen Low-Pegel mehr, so sperrt der
Bipolartransistor. Der untere JFET wird daraufhin leitend. Es folgt der linke und
dann der obere JFET. Die Verschaltung sorgt dafür, dass am Gate des oberen JFETs
ungefähr das gleiche Potential anliegt wie am zugehörigen Eingangspin. Das hat
den Vorteil, dass der Widerstand des JFETs einigermaßen unabhängig vom Pegel des
Eingangssignals ist und dieses so relativ linear zum Ausgang übertragen wird.
Die Reihe der drei JFETs, die nacheinander umschalten, sorgt vermutlich dafür,
dass ein Kanal sicher gesperrt ist bevor der nächste Kanal leitend wird.
Nähert
sich das Eingangssignal dem Versorgungspotential an, so wird der untere
Bipolartransistor leitend und begrenzt so den Pegel bevor Schäden entstehen.

Im rechten Bereich des Dies befindet sich die Aufbereitung der Steuersignale.
Von dort verlaufen die differentiellen Steuersignale in die Mitte des Dies, wo
in acht Spalten die Dioden platziert sind, die die Ansteuerung des gewünschten
Analogschalters regeln.
Darunter befinden sich verkünstelt die Buchstaben AB,
die die Initialen eines Entwicklers sein könnten.
Die Analogschalter sind
über die drei freien Kanten des Dies verteilt.
Den Maskenrevisionen an der rechten Kante des Dies nach zu urteilen wurde das Design noch nicht überarbeitet.

Jeder Analogschalter besitzt einen Bipolartransistor mit zwei runden
Emitteranschlüssen. Das Steuerpotential ist an den äußeren Basisanschluss und an
einer Ecke an einen Kollektor angebunden. Zwischen diesem Kollektoranschluss und
dem mittigen Emitter scheint sich eine zusätzliche, speziellere Verbindung zu
befinden.
Die massivere Anbindung des Kollektors führt zu der darüber
liegenden, gitterartigen Struktur der JFETs. Alle drei JFETs befinden sich in
dieser gitterartigen Struktur. Sie teilen sich die darunter liegende
Gateelektrode.