
Der К155КП7 (K155KP7) ist die russische Variante des Achtfach-Multiplexers 74151. Die Zeichen К155 weisen den Baustein der 7400-Standard-TTL-Familie zu. Mit den Buchstaben КП wurden allgemein digitale Schalter und Multiplexer beschriftet. Die Zahl 7 steht letztlich für den vorliegenden Baustein. Der Hersteller lässt sich nicht erkennen. Dem Datecode nach erfolgte die Produktion im Mai des Jahres 1989. Bei russischen Halbleitern wurde neben dem Jahr nicht die Kalenderwoche, sondern das Monat der Produktion vermerkt.

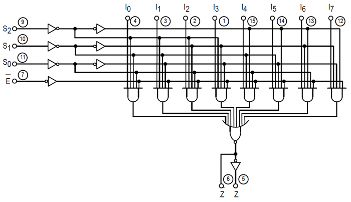
Das Datenblatt des 74LS151 enthält eine Abbildung der Verschaltung, die auch für den K155P7 gilt. Die Steuersignale zur Auswahl des Kanals (S0-S2) werden in differentielle Signale gewandelt und acht AND-Gattern zugeführt. Je nach Status der Steuersignale wird ein AND-Gatter aktiv und schaltet das zugehörige Eingangssignal über ein NOR-Gatter zum Ausgang durch. Der K155P7 bietet einen differentiellen Ausgang. Ein Enable-Eingang ermöglicht es den Multiplexer ganz abzuschalten.

An der unteren Kante ist das Die mit den Zeichen КП7 beschriftet. In der rechten unteren Ecke befinden sich Strukturen zur Kontrolle der Prozessparameter und eine Teststruktur, die vermutlich einen Transistor enthält.
Bei genauerer Betrachtung lassen sich die drei Steuereingänge und der Enable-Eingang erahnen. An diesen vier Bondpads sind in nächster Nähe rechteckige Strukturen angeschlossen, von denen zwei Leitungen weiterführen. Hierbei dürfte es sich um die Inverter handeln.
Alle Eingänge besitzen an den Bondpads quadratische Ausbuchtungen, die höchstwahrscheinlich Schutzstrukturen enthalten. An den Versorgungspotentialen und den Ausgängen werden diese Schutzstrukturen nicht benötigt. Die Bondpads die die Versorgungspotentiale übertragen sind durch ihre relativ massive Anbindung und starke Vernetzung zu erkennen.
Die unteren beiden Bondpads an der linken Kante sind an größere Transistorstrukturen angebunden und besitzen keine Schutzstrukturen. Hierbei handelt es sich mit ziemlicher Sicherheit um die differentiellen Ausgänge.

Einen großen Teil des Dies nehmen die acht AND-Gatter ein. Die AND-Gatter bestehen aus großen vertikalen Streifen, die Multi-Emitter-Transistoren enthalten. Von oben erfolgt die Zuführung der Eingangssignale. Von rechts werden Emitter in den Streifen so von den Steuersignalen kontaktiert, dass sich die gewünschte Schaltmimik ergibt. Im unteren Bereich werden die Ausgänge mit einem großen, horizontal angeordneten Transistor zusammengefasst, der das Achtfach-NOR-Gatter darstellt.