Der AMP01 ist ein von Precision Monolithics entwickelter Instrumentenverstärker, der heute noch über 30€ kostet und mittlerweile von Analog Devices vertrieben wird.
Die Offsetspannung gibt das Datenblatt mit maximal 50µV an. Der Temperaturdrift liegt bei maximal 0,3µV/°C. Der Biasstrom bleibt unter 4nA. Der Verstärkungsfaktor kann zwischen 0,1 und 10.000 gewählt werden. Bei einem Verstärkungsfaktor von 1.000 ist die Linearität ausreichend für eine Genauigkeit von 16Bit. Die Gleichtaktunterdrückung gibt das Datenblatt mit mindestens 125dB an. Ein Ausgangspegel von bis zu +/-10V wird mit bis zu +/-50mA eingeregelt. Maximal sind +/-13V möglich. Dabei sind auch kapazitive Lasten mit bis zu 1µF zulässig. Für einen Verstärkungsfaktor von 1.000 gibt das Datenblatt eine -3dB-Bandbreite von typischerweise 26kHz an. Die Slewrate beträgt 4,5V/µs (G=10). Die Einschwingzeit liegt bei 50µs (G=1000, 20V, +/-0,01%).

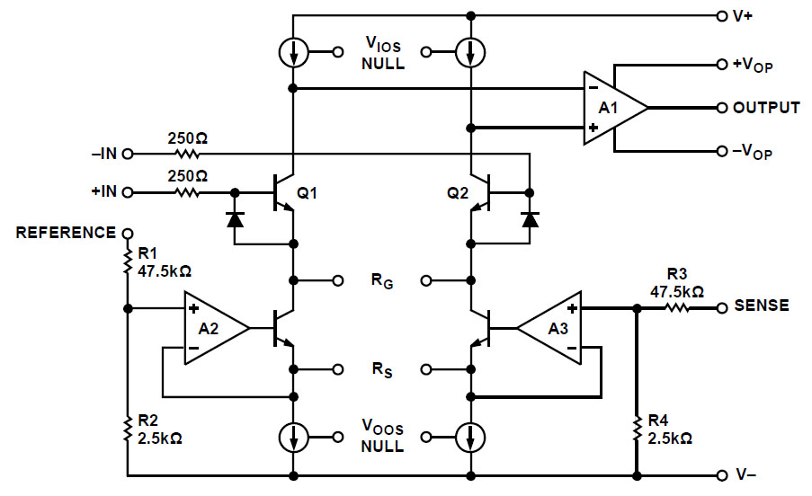
Das Datenblatt des AMP01 enthält ein Blockschaltbild, dass die Funktionsweise des Verstärkers zeigt. Im Zentrum befinden sich zwei symmetrische Verstärkerzweige, die als Differenzverstärker die Eingangssignale verarbeiten. Über den Widerstand zwischen den Zweigen lässt sich der Verstärkungsfaktor des Differenzverstärkers und damit des ganzen Bausteins einstellen. Diese Verschaltung bezeichnet man als "cross degeneration" oder "pi degeneration".
Die beiden Zweige werden über zwei Stromquellen versorgt. Zwei weitere Stromquellen befinden sich an den unteren Enden der Differenzverstärkerzweige. Beide Stromquellen-Paare lassen sich unabhängig voneinander von außen justieren und ermöglichen so einen Abgleich der Offsetspannungen am Eingang und am Ausgang des AMP01. Mit dem Stromverhältnis oberhalb der Eingangstransistoren kann man laut Datenblatt die Offsetspannung am Eingang kompensieren, die noch mit dem Verstärkungsfaktor multipliziert wird. Dabei fällt auf, dass das Schaltbild die Realität nur sehr vereinfacht darstellt. Hier würde man mit den oberen Stromquellen lediglich die Offsetspannung am Ausgang beeinflussen. Der eingestellte Verstärkungsfaktor hätte darauf keinen Einfluss.
Mit dem Stromverhältnis unterhalb der Eingangstransistoren kann man die Offsetspannung am Ausgang kompensieren. Ein unterschiedliches Stromverhältnis führt zu einem Stromfluss über den Widerstand Rs, der in seiner Hauptfunktion die Stärke der Sense-Rückkopplung definiert. Das ermöglicht es darüber auch die Offsetspannung am Ausgang zu justieren.
Für Verstärkungsfaktoren über 50 empfiehlt das Datenblatt die Offsetspannung am Eingang zu justieren. Für Verstärkungsfaktoren unter 50 sollte man dagegen die Offsetspannung am Ausgang justieren, da diese initial höher ist, wenn man den Verstärkungsfaktor außen vor lässt. Will man beide Offsetquellen abgleichen, so beginnt man mit kurzgeschlossenem Widerstand Rg beim Eingangs-Offset, entfernt dann den Kurzschluss und justiert den Ausgangs-Offset.
Unterhalb der Eingangstransistoren befindet sich zwei zusätzliche Transistoren, die Einfluss auf die Signale in den Zweigen nehmen. Auf der rechten Seite ist das Sense-Potential angeschlossen, das direkt mit dem Ausgang oder bei einer Vierdrahtverkabelung mit dem eigentlichen Zielpunkt des Ausgangssignals verbunden wird. Da der AMP01 relativ hohe Ströme treiben kann, ist eine solche Rückkopplung des Ausgangssignals durchaus sinnvoll. Den Transistor im linken Pfad steuert der Reference-Pin. Dieses Potential kann direkt mit der lokalen Masse oder bei Vierdrahtverkabelung mit dem Bezugspotential am Zielpunkt verbunden werden.
Die Pegel des Sense- und des Reference-Potentials werden über Spannungsteiler angepasst, die auf dem Chip integriert sind. So benötigt man dafür extern keine besonders konstanten Widerstände. Am Reference-Eingang liegt üblicherweise kaum Spannung an, dennoch wurde auch auf dieser Seite ein baugleicher Spannungsteiler integriert. Durch diesen Aufbau ist eine bestmögliche Symmetrie sichergestellt. Temperaturdrifts wirken sich auf beide Seiten gleich aus und kompensieren sich gegenseitig. Das ist ein weiterer Vorteil der Integration auf dem Chip. Beide Spannungsteiler weisen so sehr ähnliche Temperaturen auf. Die Operationsverstärker zwischen den Spannungsteilern und den Differenzverstärkerzweigen sorgen dafür, dass die hochohmigen Spannungsteiler nicht belastet werden.
An den Kontakten Rs ist ein Widerstand anzubinden, der wie Rg als Emitterwiderstand wirkt, allerdings den darüber liegenden Transistoren in den Rückkopplungspfaden zugeordnet ist. Rs stellt wie Rg eine lokale negative Rückkopplung dar. Da sich die lokale negative Rückkopplung bei Rs aber auf die globale negative Rückkopplung bezieht, wirken sich Rg und Rs invers aus. Ein niedriger Widerstand Rg führt zu einem hohen Verstärkungsfaktor. Ein niedriger Widerstand Rs sorgt für einen niedrigen Verstärkungsfaktor. Der gegensätzliche Einfluss auf die Verstärkung hat den positiven Nebeneffekt, dass sich thermische Drifts der Widerstände zumindest teilweise kompensieren.
Am Ausgang des Differenzverstärkers befindet sich ein Pufferverstärker. Zum einen ist so ausgeschlossen, dass sich die Last am Ausgang des Differenzverstärkers negativ auf dessen Spezifikationen auswirkt. Zum anderen ermöglicht es der Pufferverstärker auch höhere Lasten an den Instrumentenverstärker anzuschließen. Das kann ein 50Ω-System sein, es kann sich aber auch nur um eine längere Übertragungsstrecke mit einer großen parasitären Kapazität handeln.

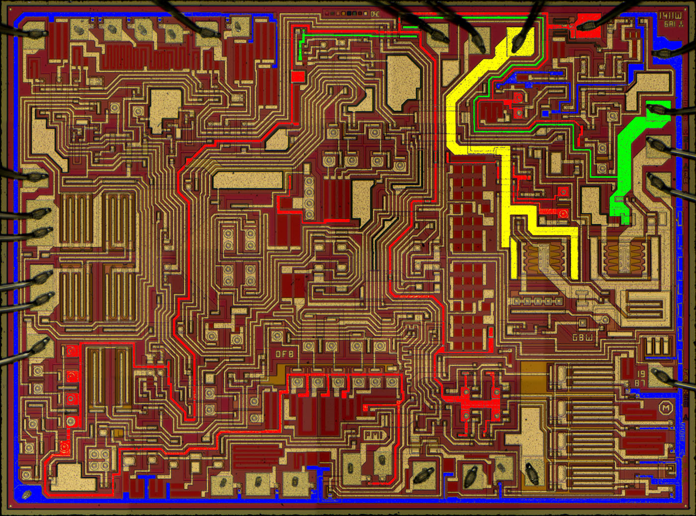
Im Datenblatt ist die Metallisierungslage des Instrumentenverstärkers abgebildet. Die Abmessungen des Dies betragen demnach 2,82mm × 3,78mm.

Das vorliegende Die entspricht ziemlich genau der Darstellung im Datenblatt.
1411 ist die interne Bezeichnung des Schaltkreises. Das W kennzeichnet die Revision. Bei PMI wurde dazu von Z in Richtung A hochgezählt. Es handelt sich demnach um die vierte Revision.
Die Zeichenfolge 6A1 steht für die Maske der Metalllage. An der rechten Kante des Dies finden sich die Abkürzungen von acht weiteren Masken.


Das Design stammt aus dem Jahr 1987. GBW und DFB sind Namenskürzel. Garth Wilson ist einer der Gründer von PMI. Derek F. Bowers steht auf zwei Patenten, die im Datenblatt des AMP01 erwähnt werden.

An der oberen Kante bilden die Masken acht kleine Quadrate ab. Daneben ist ein Symbol integriert, das sich nicht zuordnen lässt.

Auf den ersten Blick erscheint die Aufteilung des Dies konfus, die kritischen Schaltungsteile sind aber sehr vorteilhaft angeordnet. Ein Großteil der kritischen Elemente ist symmetrisch um die horizontale Achse in der Mitte des Bausteins integriert. Erwärmt sich die Endstufe ganz rechts, so erfahren die differentiellen Pfade eine ähnliche Temperaturänderung und Driftefekte kompensieren sich zu einem Großteil.

Der AMP01 bietet zwei Versorgungsschnittstellen. Eine Schnittstelle versorgt lediglich die Endstufe (gelb/grün). Die andere Schnittstelle versorgt die restlichen Schaltungsteile (rot/blau).

Die Eingangstransistoren sind mit ihren Eingangswiderständen ganz links positioniert (weiß). Die Schutzdioden sind ein Stück weit nach oben abgesetzt. Die Steuertransistoren der Rückkopplung (blau) verbinden die Eingangstransistoren mit den Stromsenken (rosa). Die Stromsenken selbst befinden sich in der Mitte des Dies. An der unteren Kante erfolgt bei der Herstellung ein Abgleich. Außerdem greifen hier die Potentiale ein, die einen Abgleich von außen ermöglichen.
Die Stromquellen, die die Eingangstransistoren versorgen, befinden sich zwischen den Eingangstransistoren und den Stromsenken (rot). Auch hier gibt es Schaltungsteile für einen Abgleich während der Produktion und den Eingriff für einen Abgleich in der späteren Anwendung. Beides befindet sich in der oberen linken Ecke des Dies. Dort wird allerdings nicht die Stromquelle beeinflusst, sondern mehr oder weniger parallel geschaltete Stromsenken.
Die Eingangstransistoren werden mit einer Kaskodenschaltung vor Spannungsschwankungen am Kollektor geschützt (orange). Im Datenblatt ist dieser Schaltungsteil nicht dargestellt. Er befindet sich zwischen den Eingangstransistoren (weiß) und den Stromquellen (rot).
Die Auskopplung der Signale zum Ausgangsverstärker (türkis) erfolgt aus dem Schaltungsteil, der die Eingangsstrom-Kompensation realisiert. Die Eingangsstrom-Kompensation befindet sich in der linken unteren Ecke und nimmt dort verhältnismäßig viel Fläche ein (schwarz). Die Schaltung speist die notwendigen Basisströme in die Eingänge des Instrumentenverstärkers ein. Die Kompensationsschaltung arbeitet mit zwei weiter rechts platzierten Stromquellen, von denen eine über ein Testpad abgeglichen werden kann. Der Verschaltung nach zu schließen, lässt sich darüber die Stärke der Kompensation einstellen.

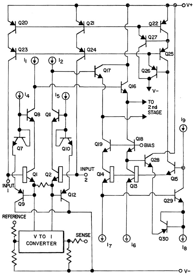
Nimmt man die Verschaltung des großen Differenzverstärkers auf, so ergibt sich das hier zu sehende Schaltbild. Es befinden sich sehr viel mehr Stromquellen und -senken in der Schaltung als im Datenblatt dargestellt. Sie dienen an vielen Stellen als Arbeitspunkteinstellung.
Der Abgleich der Offsetspannung am Eingang erfolgt, wie zu erwarten war, nicht direkt bei den Stromquellen ViosNULL. Oberhalb der Eingangstransistoren befinden sich die zwei Stromsenken ViosNULL und unterhalb sind die zwei Stromsenken IQ1/IQ2 integriert. Für einen Abgleich des Offsets wird das Stromverhältnis dieser Paare geändert. Änderungen wirken sich auf ViosNULL und IQ1/IQ2 invers aus. Letztlich erfolgt die Beeinflussung des Eingangsoffsets über die Stromsenken IQ1/IQ2, deren Differenzstrom über den Widerstand Rg fließt. Die Stromsenken ViosNULL sorgen dafür, dass die Stromverhältnisse im oberen Bereich dabei nicht übermäßig beeinflusst werden.

Der Aufbau und die Eigenschaften des Eingangsverstärkers sind im Rahmen des Patents US4471321 genauer beschrieben. Dieses Patent wird auch im Datenblatt des AMP01 erwähnt. Die Schaltung erfüllt neben der grundlegenden Funktion eines Differenzverstärkers zwei wichtige Aufgaben. Sie sorgt dafür, dass sich die Potentiale an den Eingangstransistoren möglichst wenig ändern und dass die äußere Beschaltung so wenig wie möglich durch die Eingangsströme belastet wird.
Die Kaskodenschaltung in der direkten Umgebung der Eingangstransistoren fixiert deren Kollektor-Emitter-Spannung und sorgt so für eine starke Gleichtaktunterdrückung (I4/Q8/Q7/Q9 und I5/Q11/Q10/Q12).
Im rechten Bereich ist die Eingangsschaltung ein zweites Mal abgebildet. Im Zentrum befinden sich zwei SuperBeta-Transistoren (Q14/Q15), wie sie auch an den Eingängen des AMP01 zum Einsatz kommen (Q1/Q2). Sie nehmen in dieser Verschaltung einen Basisstrom auf, der dem Basisstrom der Eingangstransistoren entspricht. Es muss dabei nicht der absolut gleiche Stromwert sein, aber das Verhältnis der Ströme muss gleich sein. Notwendige Verstärkungsfaktoren lassen sich über die folgenden Stromspiegel einstellen. Die Bias Cancellation sorgt so dafür, dass in die Eingänge des AMP01 ein Strom eingespeist wird, der ziemlich genau dem Basisstrom der Eingangstransistoren entspricht. So ist sichergestellt, dass die Schaltung an den Eingängen des AMP01 nicht mit den Basisströmen belastet wird.

Die beiden Eingangstransistoren Q1 und Q2 sind jeweils auf zwei über Kreuz angeordnete Bereiche aufgeteilt, so dass sich Temperaturgradienten auf beide Zweige des Differenzverstärkers möglichst gleich auswirken.
Der externe Widerstand Rg, der den Verstärkungsfaktor mitbestimmt, ist mit zweimal zwei Bonddrähte angebunden. Da Rg sehr kleine Werte annehmen darf, muss man besonders darauf achten, dass der Einfluss der Zuleitungen und damit auch der Bonddrähte möglichst klein bleibt.

Die Transistoren der zwei großen Stromquellen und der zwei großen Stromsenken sind ebenfalls aufgedoppelt und über Kreuz verschaltet. Zusätzlich befinden sich die beiden Schaltungsteile auf der horizontalen Symmetrieachse des Dies. Das garantiert, dass sich auch hier thermische Gradienten möglichst gleichmäßig auf die beiden Zweige des Differenzverstärkers auswirken.
Die Leitungen, die von den Emitterwiderständen der Stromsenken zum Massepotential führen, beinhalten Mäander, so dass auch sie möglichst gleiche Widerstände darstellen. Bei genauerer Betrachtung stellt man fest, dass bei den Zuleitungen der Stromquellen ebenfalls auf gleiche Längen geachtet wurde.

Zum Abgleich der Stromsenken des großen Differenzverstärkers befinden sich an der unteren Kante des Dies zusätzliche, parallel geschaltete Emitterwiderstände. Über Fuses können diese zugeschaltet werden und ermöglichen so einen Abgleich der Stromsenken während der Fertigung. Der eine Zweig bietet dazu vier Fuses, der andere eine. Über die Kontakte Voos NULL hat der Anwender Zugriff auf diese Emitterwiderstände und kann den verbliebenen Offset in seiner Schaltung weiter abgleichen.

In der linken oberen Ecke des Dies befinden sich einige kleinere Stromsenken, die neben der Arbeitspunkteinstellung auch zur Justage der Offsetspannung am Eingang verwendet werden. Die Stromsenken für den Offsetabgleich können wie die großen Stromsenken während der Fertigung über Fuses justiert werden und bieten später über die Kontakte ViosNULL eine Abgleichmöglichkeit für den Anwender. Hier enthält ein Pfad drei Fuses und der andere eine.

Die Darlington-Transistoren in der Kaskodenschaltung besitzen eine sehr große Kollektorfläche. Rechts dient sie als Zuleitung für die Stromquellen und links erfolgt die Auskopplung des Signals zur Bias Cancellation und zum Ausgangs-Operationsverstärker A1.

In der unteren linken Ecke des Dies befindet sich die Schaltung der Bias Cancellation. Gut zu erkennen sind die zwei großen, den Eingangstransistoren nachempfundenen Transistoren, die die elektrischen Verhältnisse an den Eingängen möglichst gut abbilden sollen.

Unterhalb der großen Stromquellen und Stromsenken sind kleinere Stromquellen integriert. Sie versorgen die Kaskodenschaltung, die Bias Cancellation und die Eingangsstufen der Operationsverstärker A2 und A3.

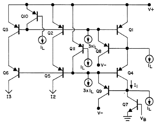
Das Datenblatt des AMP01 verweist unter anderem auf das Patent US4503381, aus dem der obige Schaltplan stammt. Es zeigt einen großen Stromspiegel mit zwei Abgängen. Ebenfalls eingezeichnet sind die Leckströme IL, die bei den üblichen lateralen PNP-Transistoren relativ hoch ausfallen können. Vor allem wenn die Stromspiegel kleine Ströme liefern sollen, werden diese von den Leckströmen stark verfälscht.
Die obere Transistorreihe (Q3/Q2/Q1) stellt den eigentlichen Stromspiegel für den Referenzstrom des Transistors Q7 dar. Der Transistor Q8 trägt die Basisströme von Q1/Q2/Q3, so dass diese den Referenzstrom nicht reduzieren. Die untere Transistorreihe (Q6/Q5/Q4) schirmt den Stromspiegel von Potentialschwankungen ab, was die Innenwiderstände der Stromquellen erhöht.
Als neu beschreibt das Patent die Transistoren Q10/Q11, die so ausgelegt sind, dass sie die Leckströme im Stromspiegel kompensieren. Da die Basisströme der Transistoren Q10 und Q11 durch ihre jeweiligen Leckströme dargestellt werden, besitzen die Kollektorströme einen Temperaturdrift, der proportional zu diesen Leckströmen ist. So ist sichergestellt, dass die in den Stromspiegel eingespeisten Ströme einigermaßen den dortigen Leckströmen entsprechen.

Der Stromspiegel im AMP01 besitzt die Kaskodentransistoren, die im obigen Patent beschrieben sind, die Leckstromkompensation wurde aber nicht umgesetzt. Bei einer genaueren Analyse zeigt sich, dass die Leckstromkompensation in der Biasstromkompensation am Eingang genutzt wurde.
Der Referenzstrom, auf dem die Ströme der Stromquellen basieren, wird mit einer Bandgap-Referenz erzeugt (nicht im Bild). Interessant ist dabei, dass die erste Stromquelle (Q3/Q4) in den Referenzpfad einspeist. Anscheinend wird hier auch gleich der Arbeitsstrom der Bandgap-Referenz erzeugt.

Bei den Operationsverstärkern A2 und A3 hat man im Rahmen der verbliebenen Möglichkeiten ebenfalls versucht die empfindlichen Schaltungsteile so anzuordnen, dass sich thermische Gradienten auf dem Die möglichst wenig auf die Nutzsignale auswirken.
Die Spannungsteiler befinden sich zwar in direkter Nähe zu den Endstufentransistoren, sind dort aber achsensymmetrisch um die horizontale Achse angeordnet. Da die Schaltung auch elektrisch symmetrisch aufgebaut ist, gleichen sich Drifteffekte Großteils aus.
Die Eingangstransistoren der Operationsverstärker A2 und A3 befinden sich neben den Spannungsteilern. Hier sorgen ebenfalls die geometrische und die elektrische Symmetrie für einen geringen thermischen Drift.
Stromquellen, Stromsenken und die mittlere Verstärkerstufe müssen aus Sicht von möglichen Temperaturdrifts mit weniger optimalen Flächen auskommen. Die Endstufentransistoren der Operationsverstärker A2 und A3 sind dann wieder optimal symmetrisch an den Ecken der Eingangstransistoren platziert.

Bei den Spannungsteilern ist deutlich das Widerstandsverhältnis 1:19 zu erkennen. Der unterste Widerstand besteht aus zwei Elementen, von denen eines überbrückt ist. Es könnte sein, dass man hier die Möglichkeit vorgehalten hat das Widerstandsverhältnis auf 2:19 anzupassen.
Oberhalb und unterhalb der Spannungsteiler sind Dummystrukturen integriert (grün). Diese Strukturen sorgen üblicherweise dafür, dass der Herstellungsprozess sich auf die äußeren und inneren Widerstände möglichst gleich auswirkt. Die Fläche, in die die Widerstände eingebettet sind, ist massiv an das Potential V+ angebunden (blau). Wobei dieser Kontakt nicht exklusiv ist, darüber wird auch die daneben liegende Endstufe versorgt.
Zwischen dem gemeinsamen Fußpunkt der beiden Spannungsteiler und dem Potential V- befindet sich eine größere Diode, die im Schaltplan nicht eingezeichnet ist (türkis). Der Zweck dieser Diode bleibt unklar. Vielleicht soll der Temperaturdrift der Flussspannung einen anderen Temperaturdrift kompensieren.
Links der Widerstände sind die Eingangstransistoren der Operationsverstärker A2 und A3 integriert (weiß). Die vier Transistoren sind wie üblich über Kreuz parallel geschaltet. Obwohl es damit funktional nur zwei Transistoren sind, stellen sie die Eingangstransistoren für beide Differenzverstärker dar. Jeder Transistor besitzt im Kollektorpfad eine Stromquelle, unter der das Ausgangssignal abgegriffen wird. An der Basis ist die Rückkopplung aus dem großen Differenzverstärker angeschlossen. Am Emitter befinden sich die Spannungsteiler, über die das Sense- und das Reference-Potential zugeführt werden.

Die einzelnen Schaltungsteile des Operationsverstärkers A1 sind über die Fläche des Dies verteilt. An der rechten Kante des Dies befindet sich die große Ausgangs-Endstufe.

Die großen NPN-Transistoren der Ausgangs-Endstufe sind deutlich zu erkennen. Ebenfalls gut auszumachen sind die Strombegrenzungen gegen Überlast.

Die vielen Stromquellen und -senken nehmen eine beträchtliche Fläche auf dem Die ein. Dazu kommt eine große Referenzspannungsquelle in der oberen rechten Ecke (gelb) und eine spezielle Testschaltung in der unteren rechten Ecke (grün).

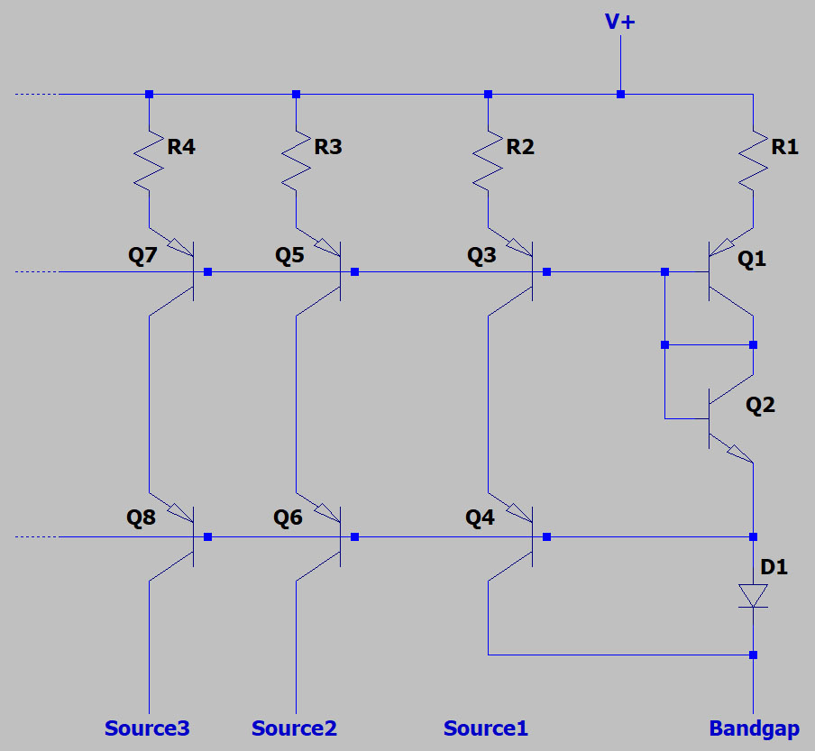
In dem Bereich, in dem die Referenzspannung beziehungsweise der Referenzstrom erzeugt wird, fällt vor allem die für eine Bandgap-Referenz typische Transistoren-Konstellation auf (gelbe Pfeile). Ein Transistor ist von einem zweiten, in zwei Blöcke aufgeteilten Transistoren umgeben. Der äußere Transistor besitzt eine viermal so große Emitterfläche. In den Emitterpfaden befindet sich die typische Widerstandskonstellation.
In diesem Bereich befindet sich auch der Übertemperaturschutz der Endstufe.


In der unteren rechten Ecke befindet sich eine Testschaltung, der überraschend viel Fläche zugestanden wurde. Sie ist mit dem Test-Pin des AMP01 verbunden.
Ganz links im Bild generieren vier Transistoren vier Ströme, die proportional zu den Strömen der großen Stromquellen- und Stromsenkenpaare sind. Diese Ströme werden in vier Stromspiegeln dupliziert und einer Schaltung mit vier großen Darlington-Transistoren zugeführt.

Im Normalfall ist der Test-Pin nicht beschaltet, das bedeutet, dass die Kollektoren der Darlington-Transistoren offen sind. In diesem Zustand fließt nur der Strom der vorgelagerten Stromspiegel durch die Schaltung. Die Darlington-Verschaltung lässt vermuten, dass dieser Strom sehr gering, vermutlich kaum relevant ist. Aktiv wird die Schaltung folglich erst wenn man an den Test-Pin eine Versorgungsspannung anlegt.
Überraschend ist, dass die Ausgänge der vier Darlington-Transistoren in die untersten Bereiche der Widerstände einspeisen, die zu den unteren Stromsenken des großen Differenzverstärkers gehören. Die Testschaltung kann folglich die Stromsenken aktiv beeinflussen. Noch verwunderlicher ist die Verknüpfung der Signale. Das Potential der linken Stromsenke beeinflusst die linke Stromsenke. Die rechte Stromsenke wird allerdings nicht nur durch die rechte Stromsenke, sondern auch von den beiden oberen Stromquellen des großen Differenzverstärkers beeinflusst.
Ebenfalls überraschend sind die unterschiedlichen Werte der Emitterwiderstände. Das Verhältnis 2:4:8:1 lässt sich über die Geometrien gut abschätzen. Die Z-Dioden, die sich parallel zu diesen Widerständen befinden, begrenzen ab einer gewissen Aussteuerung den Stromfluss zu den Emitterwiderständen der unteren großen Stromsenken. Die unterschiedlichen Widerstandswerte sorgen für unterschiedliche Stromgrenzen.
Alles spricht dafür, dass diese Testschaltung verwendet wird die Stromquellen und Stromsenken abzugleichen oder am Ende der Fertigung die Güte des Abgleichs zu überprüfen. Da das Test-Potential an einem Pin anliegt, kann man davon ausgehen, dass die Schaltung darauf ausgelegt ist nach der Integration in das Gehäuse noch einmal aktiviert zu werden. Die genau Funktionsweise bleibt unklar.