
Der von Hitachi entwickelte HA12045 dient beim Einsatz von Audiokassetten zur Rauschreduzierung nach Dolby B Standard.

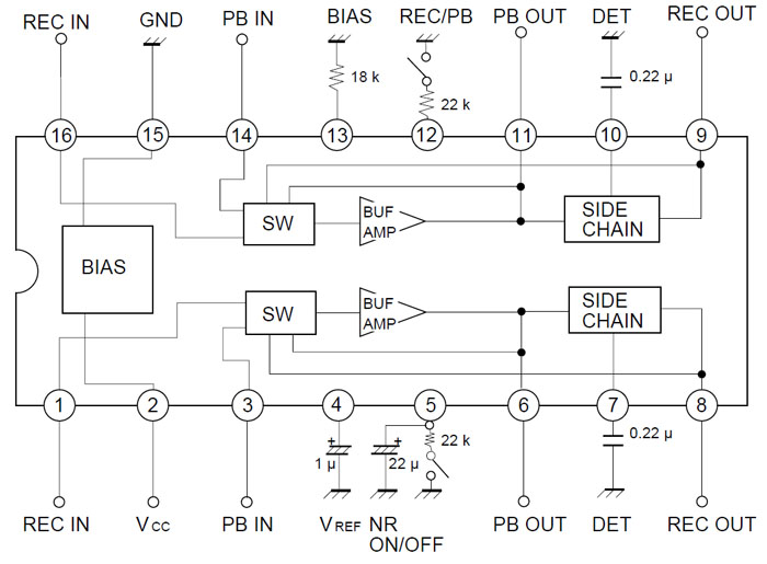
Über den HA12045 sind kaum Informationen zu finden. Das Datenblatt des HA12135, der vermutlich sehr ähnlich aufgebaut ist, zeigt zumindest den grundsätzlichen Aufbau eines Bausteins mit einer Dolby B Rauschreduzierung. Der HA12135 kann zwei Kanäle verarbeiten. Der Block SW ermöglicht es den Baustein zwischen Aufnahme und Wiedergabe umzuschalten. Der Block SIDE CHAIN realisiert die für die Rauschreduzierungsfunktion notwendige Signalanpassung. Je nach Konfiguration des Blocks SW wird die Rückkopplung zum Pufferverstärker unterschiedlich gewählt. Das führt dazu, dass das Nutzsignal bei einer Aufnahme modifiziert oder bei der Wiedergabe rekonstruiert wird.

Das Datenblatt des HA12135 zeigt die Auswirkungen der Signalverarbeitung. Die Dolby B Rauschreduzierung erhöht während einer Aufnahme bei geringen Signalpegeln den Pegel höherer Frequenzanteile, wo sich das Grundrauschen vor allem bemerkbar macht. Während der Wiedergabe werden die Frequenzanteile entsprechend abhängig vom Gesamtpegel wieder reduziert und damit das Nutzsignal rekonstruiert. Im Rahmen dieser Pegelreduktion reduziert sich auch der Rauschpegel in diesem Frequenzbereich, der durch das System Audiokasette addiert wurde.
Wird eine mit Dolby B aufgezeichnete Kasette ohne Dolby B Signalverarbeitung wiedergegeben, so sind abhängig vom Gesamtsignalpegel die Pegel der oberen Frequenzanteile zu hoch.

Die Abmessungen des Dies betragen 2,61mm x 2,55mm. Trotz der überschaubaren Komplexität kamen zwei Metalllagen zum Einsatz.
Die Zweiteilung für die zwei Kanäle ist deutlich zu erkennen. Im mittigen Bereich an der unteren Kante wurden wahrscheinlich die Schaltungsteile zur Arbeitspunkteinstellung integriert.