
Das Modul SKiiP 81 AN 15 T10 ist ein Drehstrom-Brückengleichrichter von Semikron. Der Datecode setzt sich aus zwei Zahlen für das Jahr und zwei Zahlen für die Kalenderwoche zusammen. Die letzte Zahl steht für das Fertigungslos dieser Woche. Das Modul wurde folglich in der Kalenderwoche 7 des Jahres 2004 produziert.

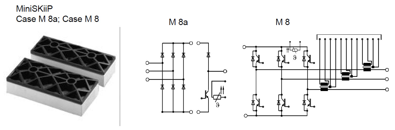
Der verwendete Gehäusetyp trägt die Bezeichnung MiniSKiiP. Hier kam die Variante 8a zum Einsatz. Wobei die Darstellung nicht ganz zum vorliegenden Modul passt. Im SKiiP 81 AN 15 T10 befindet sich nur der Brückengleichrichter und der Temperaturfühler. Der Chopper-Pfad ist nicht bestückt.

Die obigen beiden Bilder zeigen den grundsätzlichen Aufbau der MiniSKiiP Module und wie sie in eine Anwendung zu integrieren sind. Das linke Bild stammt von Semikron. Das rechte Bild von Vincotech, einer Tochter der Mitsubishi Electric Corporation, die ebenfalls die MiniSKiiP Module verwendet.
Die Grundlage des Moduls bildet ein Keramikträger, auf dem sich die Halbleiter befinden. Die Potentiale der Schaltung werden mit Federkontakten durch das Kunststoffgehäuse nach oben geführt. Hier sind die dünneren Federkontakte der kleineren Modultypen zu sehen. Im der Gehäusevariante 8 befinden sich größere, tonnenförmige Kontakte. Auf die Oberseite wird dann eine Platine aufgelegt. Zwei Schrauben erzeugen den notwendigen Anpressdruck, der durch ein Kunststoffelement flächig verteilt wird.

Die obige Übersicht vermittelt ein Gefühl für die Modulvarianten, die Semikron im Angebot hatte und wie sich die Bezeichnungen zusammensetzen. Die Modulvariante 8 ermöglicht Ströme bis zu 130A, während die kleineren Modulvarianten nicht mehr als 75A zulassen.
Das Datenblatt des SKiiP 81 AN 15 T10 spezifiziert für die Dioden eine Spannungsfestigkeit von 1.500V und eine Stromtragfähigkeit von 100A (bei 85°C), wobei der Strom durch die Federkontakte begrenzt. Kurzzeitig sind bis zu 1.000A zulässig.


Auf der Unterseite des Moduls ist der Keramikträger mit einer Kupferschicht überzogen. Das Datenblatt spezifiziert für jede Diode einen Wärmeübergangswiderstand von maximal 1K/W.

Durch die zwei Löcher im oberen Bereich wurde wahrscheinlich nach dem Zusammenbau der Gelverguss eingebracht. Das Kunststoffgehäuse enthält außerdem einige Vorhalte. Rechts kann man die drei Hochstromkontakte und den Steuerkontakt des Choppers einbringen. Links besteht die Option mit sechs Steuerkontakten Thyristoren anzusteuern.

Das Kunststoffelement kann man relativ einfach vom Keramikträger abheben.

Die Hochstromkontakte besitzen auf beiden Seiten abgewinkelte, federnde Metallstreifen. Die Kontakte stehen ein Stück weit aus dem Kunststoffgehäuse heraus, so dass sich beim Zusammenbau ein gewisser Anpressdruck einstellt.

Die zylindrischen Hochstromkontakte sind auf einer Seite offen. Das Kunststoffgehäuse besitzt keilförmige Elemente, die in diese Zwischenräume einfahren. Die kleinen Kontakte bestehen lediglich aus einem Stück Draht, das für eine gewisse Federwirkung mehrfach gebogen wurde.

Die Keramikplatte ist 1mm dick. Wo der Gelverguss nicht gleichmäßig plan ist, stört er die Sicht auf die Elemente, man kann die Funktionen aber dennoch gut erkennen.

Die Dioden der Gleichrichterbrücke werden durch einzelne Halbleiter dargestellt. In der oberen rechten Ecke befindet sich der PTC, mit dem sich die Temperatur des Moduls bestimmen lässt. Der Chopper wird offensichtlich mit zwei Transistoren aufgebaut. Neben der Freilaufdiode Dbr findet sich zusätzlich noch eine Diode Dt parallel zu den Transistoren.

Die Kantenlänge der Dioden beträgt 7mm. Sieben Bonddrähte kontaktieren die Dioden jeweils zweimal.

Die Dioden besitzen anscheinend eine MESA-Struktur. Eine schwarzen Beschichtung schützt diesen Bereich.

Die glänzende Oberfläche des Temperatursensors lässt vermuten, dass es sich um eine Diode handelt. Messungen zeigen allerdings, dass es tatsächlich ein PTC-Widerstand ist.