
Das KD324510 ist ein von Powerex produziertes Halbbrücken-Darlingtonmodul, das bis zu 100A leiten und bis zu 450V sperren kann (600V bei -2V Basis-Emitter-Spannung). Die integrierten Freilaufdioden sind ebenfalls auf 100A ausgelegt und erlauben Spitzenströme von 1000A. Jeder der zwei Leistungstransistoren kann bis zu 620W Verlustleistung abführen.

Die große Metallfläche auf der Unterseite ermöglicht es die Verlustleistung des Moduls großflächig an einen Kühlkörper abzuführen.

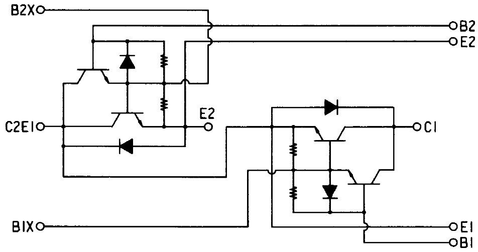
Das Label auf dem Gehäuse zeigt den inneren Aufbau des Halbbrückenmoduls. Der
Leistungspfad führt vom Anschluss C1, über einen Darlington-Transistor zum
Anschluss C2E1 und von dort über einen weiteren Darlington-Transistor zum
Anschluss E2. Parallel zu den Leistungstransistoren befinden sich Freilaufdioden
für induktive Lasten.
Neben den Basisanschlüssen B1 und B2 sind auch die
Hilfsemitter E1 und E2 aus dem Gehäuse geführt, so dass unabhängig vom Laststrom
und den damit einhergehenden Spannungsabfällen immer eine saubere Ansteuerung möglich
ist.
Die Anschlüsse B1X und B2X kontaktieren jeweils die Basis eines
Leistungstransistors. Sie könnten für eine Art Vorsteuerung oder für eine
Verbesserung des Abschaltverhaltens genutzt werden.

Das im Datenblatt abgebildete Schaltbild zeigt noch weitere in das Powermodul integrierte Elemente. Parallel zu jeder Basis-Emitter-Strecke liegt ein Widerstand. Diese Widerstände Beschleunigen das Abschalten der Transistoren. Sie bieten den freien Ladungsträgern im Basisbereich einen Pfad, über den sie abfließen können. Die zusätzliche Diode parallel zum Treibertransistor verbessert das Abschaltverhalten weiter. Eine Diode parallel zum Endstufentransistor könnte den Abschaltvorgang zusätzlich beschleunigen, würde aber gleichzeitig abhängig von der Last durch Querspeisung zu Problemen in der Ansteuerung führen.
Der Widerstand parallel zum Leistungstransistor sorgt außerdem dafür, dass durch den Treibertransistor immer ein ausreichender Strom fließt. Bei einer geringen Aussteuerung würde ansonsten der Verstärkungsfaktor abfallen, was sich negativ auf die Ansteuerung auswirken würde.

Das Gehäuse lässt sich nicht ganz zerstörungsfrei öffnen. Die nach außen geführten Metallfahnen der Leistungskontakte sind im oberen Gehäuseteil vergossen. Sie lassen sich nur mit einer nicht unbeträchtlichen Gewalteinwirkung ein Stück weit herausziehen. Der mittlere, dünnere Metallstreifen hat sich dabei vom Keramikträger gelöst. Die Steuerleitungen sind über Drähte angebunden. Abgesehen von den Zuleitungen befindet sich nichts weiter in der Vergussmasse.

Die Halbleiter sind mit einem Silikongelverguss geschützt. Eine weiße Masse verbindet die Bodenplatte mit dem oberen Gehäuseteil und dichtet das Powermodul ab.

Der Silikongelverguss lässt sich nur mit viel Geduld entfernen. Hier ist lediglich eines der zwei Darlingtonmodule freigelegt. Die Bonddrähte bleiben dabei nicht erhalten.
Jedes Darlingtonmodul ist mit seinen Stromschienen und Halbleitern auf einer eigenen Keramikplatte montiert. Um diese Keramikplatten ist eine dünne, dunkelgrüne Schicht zu erkennen. Es könnte sein, dass die Schicht die Wärmeleitung zwischen der Keramik- und der Kühlplatte verbessert. Erwarten würde man allerdings, dass die Keramikplatten vollflächig mit der Kühlplatte verlötet sind.

Jedes Darlingtonmodul besteht aus zwei großen Darlington-Leistungstransistoren. Darüber befinden sich auf derselben Metallschiene die zwei Freilaufdioden, die so direkt mit den Kollektoren verbunden sind. Zweimal acht Bonddrähte verbinden die Emitter mit dem Anschluss E2. Von den Freilaufdioden führen zweimal sechs Bonddrähte zum Anschluss E2. Das Kollektorpotential C2 wird über eine Stromschiene mit dem Emitter des oberen Darlingtonmoduls verbunden und über den Anschluss C2E1 nach außen geführt.
Unterhalb der Leistungstransistoren sind die Dioden zur Beschleunigung des Abschaltvorgangs auf der Stromschiene des Potentials B2 platziert. Zweimal zwei Bonddrähte verbinden die Schiene mit den Leistungstransistoren. Die Dioden sind mit zweimal zwei Bonddrähten an die Emitter der Treibertransistoren angebunden. Dieselben Bonddrähte führen zur Schiene B2X, über die das Potential von außen kontaktiert werden kann.

Die Leistungshalbleiter befinden sich auf dünnen Metallplatten, die wiederum auf einer dickeren Metallplatte und damit auf dem Keramikträger aufgelötet sind. Die dickere Metallplatte dient gleichzeitig als Stromschiene. Dass man die Dies zusätzlich auf einer dünneren Metallplatte montiert hatte, dürfte fertigungstechnische Gründe gehabt haben.

Jedes der Darlington-Transistor-Dies ist 16,0mm x 12,0mm groß.

Die Darlington-Verschaltung aus Treiber- und Leistungstransistoren sind auf einem Die integriert. Die Treibertransistoren (a) und die Leistungstransistoren (b) teilen sich den Kollektorbereich. Der grüne Bereich Ba ist der Basisbereich der Treibertransistoren. Der Aufbau der Halbleiterschichten ist durch die Metalllage verdeckt. Man kann allerdings erahnen, dass sich um den grünen Basisbereich eine abgesetzte Fläche befindet, die den Emitter des Treibertransistors darstellt (Ea). Von dieser Fläche aus führt die Metalllage das gelbe Potential in die oberen und unteren Bereiche, wo es als Basispotential der Leistungstransistoren (Bb) dient. Die blauen Flächen sind die Emitter der Leistungstransistoren (Eb).
Die im Schaltplan eingezeichneten Widerstände sind parallel zu den Basis-Emitter-Strecken in das Die integriert (140Ω und 80Ω).

Bei bis zu 600V treten am Rand des Dies hohe Feldstärken auf, die zu Überschlägen führen könnten. Aus diesem Grund wurden um den aktiven Bereich Ringe integriert, die eine Potentialsteuerung realisieren. Durch diese Maßnahme baut sich das Potential gleichmäßiger und damit unproblematischer ab.
In der Ecke des Dies ist noch eine Markierung zur Maskenjustierung und die Zahlenfolge 521 zu erkennen.

Die Freilaufdioden, die jeweils dauerhaft Ströme von 50A und Spitzenströme bis 500A tragen müssen, sind 5,9mm x 3,9mm groß.

Auch die Dioden besitzen Ringe zur Potentialsteuerung.